Playstation’n’PC

Apropo.ro / 15.07.2002, 09:49
Playstation'n'PC
Acest tip este adresat celor care poseda un Playstation, sau cel putin un pad (maneta) de la consola respectiva. In cazul in care nu stiati, puteti folosi acel pad pentru jocurile de PC, ca un game-device normal. Pentru a reusi, incercati sa urmati, cu atentie, pasii de mai jos. Pentru

Acest tip este adresat celor care poseda un Playstation, sau cel putin un pad (maneta) de la consola respectiva. In cazul in care nu stiati, puteti folosi acel pad pentru jocurile de PC, ca un game-device normal. Pentru a reusi, incercati sa urmati, cu atentie, pasii de mai jos.

Pentru inceput – asigurati-va ca veti putea folosi portul paralel al calculatorului dumneavoastra. Un element important este pistolul de lipit, letconul, ciocanul de lipit sau orice alta unealta care sa va permita lipirea termica a conductorilor electrici.

Lista celor necesare

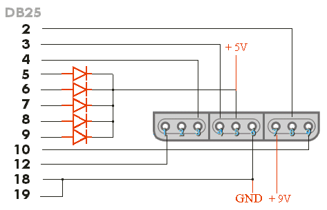
  • O mufa DB-25 [TATA]
  • 5 diode 1N4148
  • un prelungitor de pad
  • 3 fire [sarma]

Ati mai avea nevoie si de cateva cunostinte de electronica. Schema conectarii este destul de simpla. Pentru inceput, deschideti, sau – mai simplu – taiati cablul prelungitorului si „decapitati” firele. Acum, reperati firele si asociati-le cu conectorii din mufa. Sfat: folositi-va de un multimetru (aparat de masura) sau confectionati-va unul, folosind un led, o rezistenta de 1K Ohm si o baterie (de 4.5V).

Trebuie respectata urmatoarea schema. Luam mufa DB25 si ii lipim diodele pe pinii 5, 6, 7, 8 si 9, astfel incat curentul sa nu poata trece decat din PC spre PAD, si nu… invers. Acum trebuie sa facem conexiile propriu-zise, ceea ce nu ar trebui sa constituie o problema.

Avem doua mici probleme de rezolvat. Prima ar fi destul de importanta… Este posibil ca sistemul dumneavoastra sa nu furnizeze un curent de 5V, destul de puternic pentru a mentine modul analogic pornit, destul de practic. In acest caz, cea mai buna solutie ar fi sa folosim o sursa externa pentru cei 5V, pe care sa o conectam pe pinul numarul 5 (din mijloc, greu de ratat), iar masa, pe pinul 6 de la pad, sau pinii 18 si 19 de pe portul paralel.

A doua problema tine tot de curent. Pentru a putea folosi vibratiile – destul de reusite – ale padului Playstation, va mai trebuie o alimentare externa de 9V, pe pinul 7 al padului.

Acum ar trebui sa avem totul pus la punct – firul prelungitorului are la un capat pad-ul „infipt”, iar la celalat capat o mufa DB-25 (paralela), pe care o introducem in PC. Alimentarea externa va priveste cum o efectuati, insa aveti grija la voltaj si la polaritate, daca nu sunteti siguri, nu folositi pana nu veti avea certitudinea ca este in regula.

Totul trebuie reverificat si gata… Acum putem da drumul PCului. !!! ATENTIE !!! Portul paralel nu se comporta ca unul serial, nu bransati si nu debransati nimic pe si de pe acel port, in timpul functionarii PC-ului, intrucat – in mod cert – veti arde controller-ul paralel. Asadar, opriti sistemul inainte de conectarea cablajului, proaspat creat.

Porniti sistemul. Descarcati driverele, pornind de la aceasta adresa. Aici veti putea gasi driverele aferente… pentru mai toate Windows-urile.

Pentru Windows 9X/ME, accesati Control Panel, respectiv Game Controllers. Apasati pe Add…, Add Other, Have Disk si indicati traseul pana unde ati dezarhivat driverele. Simplu! Aveti joypad de Playstation care merge pe PC. Configurati-l cum doriti – facilitati sunt destule – insa nu uitati sa selectati ca aveti un PAD de PLAYSTATION.

Versiunile pentru Windows 2000 si XP, au mai putine functionalitati, insa nu ingradesc, cu nimic, buna functionare a pad-ului.

Un ultim sfat inainte de incheiere… ar fi acela ca, puteti lua si 5 si 9 V din sistemul dumneavoastra – dintr-o cupla normala de alimentare. Cablurile negre sunt masa, rosu – 5V iar galbenul, 12 V. Puneti un regulator de tensiune (L7809CV) si veti avea 9V. Succes!

Autorul acestui articol isi declina orice responsabilitate pentru pagubele de orice natura, ce pot fi provocate de acest proiect. Folositi-l pe propriul risc!

Razvan Rebegeanu